- 榮譽(yù)認(rèn)證:

- 保 證 金:
已繳納0.00 元
- 聯(lián)系人:
劉洪濤女士
- 聯(lián)系方式:
13736120456
- 主 營:
板式換熱器 熱泵
友情鏈接
|
|
|
|
|
| 單價(jià): |
¥20488.67 |
| 品牌: |
KAORI |
| 地區(qū): |
浙江寧波市 |
| 庫存: |
還剩 999 件 |
| 人氣: |
已有 546 人關(guān)注 |
| 更新: |
2021-04-27 |
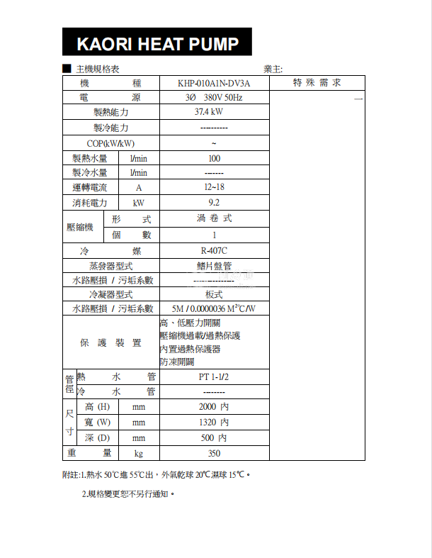
| 型號(hào): |
- KHP-005M1N-EN1A
- KHP-010A1N-DV3A
- KHP-010CA1H
- KHP-020CA1H
- KHP-070A1H-CN7A
|
|
|