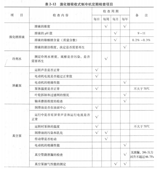
(1) 定期檢查 在溴化鋰吸收式制冷機運行期間,為了確保機組安全運行,應進行定期檢查。定期檢查的項目見表2-12。
(2)定期保養 為了保證溴化鋰吸收式制冷機機組安全運行,除了做好定期檢查外,還要做好定期保養。定期保養可分為日保養、小修保養及大修保養三種形式。

1)日保養又分為班前保養和班后保養。班前保養的內容有:檢查真空泵的潤滑油油位是否合適,按要求注入潤滑油;檢查機組內溴化鋰溶液表面是否符合運行要求;檢查巡回水池液位及水管管路是否通暢,檢查機組外部連接部位的緊固情況;檢查機組的真空情況。班后保養的內容有:擦洗機組表面;保持機組清潔;保持機房整潔等。

2)小修保養周期可視機組運行情況而定,可一周一次,也可一月一次。小修保養的內容有:檢查機組的真空度、機組內溴化鋰溶液的含量、緩蝕劑鉻酸鋰的含量、pH值及清潔度;檢查各臺水泵聯軸器橡膠的磨損程度、法蘭的漏水情況;檢查各循環系統管路的連接法蘭、閥門,確定不漏水、不漏氣;檢查全部電氣設備是否處于正常狀態,并對電氣設備和電動機進行清潔
3)大修保養周期一般為一年一次。大修保養的內容有:清洗制冷機組傳熱管(包括其他管道)內壁的污垢;油漆涂刷機組表面;檢查視孔鏡的完好和清晰度;檢查隔膜或真空泵的密封及橡膠隔膜的老化程度;測定溴化鋰溶液的含量、鉻酸鋰的含量,并測定溶液的pH值和渾濁度;檢查機組的真空度;檢查屏蔽和泵的磨損情況,重點檢查葉輪和石墨軸承的磨損情況;檢查屏蔽友套的磨損情況及機組冷卻管路是否堵塞等。






