手動控制冷藏、冷凍柜制冷壓縮機的開停電路是控制電路中的基本電路,其典型控制電路如圖4-6所示。
手動控制制冷壓縮機開停電路的基本工作過程如下。閉合刀開關Q接通電源,控制變壓器T二次回路中的指示燈HL亮,表示供電電路接通。此時,由于控制電路處于斷開狀態,壓縮機不能運轉。按下啟動按鈕SB1,使控制回路接通,交流接觸器KM的線圈通電,其常開主觸點閉合,壓縮機電動機啟動運行,與SB1并聯的KM常開輔助觸點閉合,起自鎖作用。與此同時,在控制變壓器T的二次回路中另一常開輔助觸點KM也閉合,使制冷系統中的供液電磁閥YV在壓縮機運轉的同時,通電工作開閥供液,制冷系統投入正常運轉。

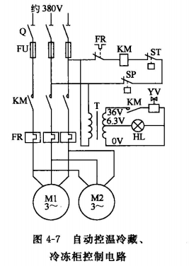
控制回路中有兩個保護元件,即熱繼電器FR和壓力控制器SP。熱繼電器作為電動機過載保護,兼有防止電動機缺相運行的作用。熱繼電器在電路出現過電流時動作,切斷主電路,停止濟南壓縮機運行。壓力控制器在系統的高壓壓力超過設定值或低壓壓力低于設定值時動作,切斷主電路的供電,停止壓縮機運行,防止壓縮機損壞。
當按下停止按鈕SB2,瞬間斷開控制回路,交流接觸器KM的線圈失電,其常開觸點恢復斷開狀態,壓縮機電動機隨即停止運行,制冷系統中的供液電磁閥也因斷電而切斷向蒸發器的供液,制冷系統在人為操作下停止運行。






