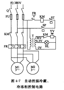
圖4-7是一種自動控溫的冷藏柜控制電路。冷藏柜內溫度的控制由煙臺溫度控制器自動調節。溫度控制器ST常溫時為閉合觸點,降溫達到頂定值時,觸點斷開。
一般冷藏柜的冷藏溫度定為-5℃,出廠時已調定。從控制電路圖4-7中還可看出,交流接觸器KM線圈通斷的控制回路由溫度控制器ST、壓力控制器SP、熱繼電器FR等動斷觸點組成,整個回路處于閉合狀態。當刀開關Q接通電源后,制冷壓縮機和風機立即隨之啟動,柜內溫度逐漸下降,待達到溫度控制器預調溫度(-5℃)時,常閉觸點斷開,使控制回路切斷,制冷壓縮機和風機停轉,制冷系統暫時處于不工作狀態。柜內溫度逐漸回升,當溫度到溫度控制器調定的差值(差值一般定為3-5℃)時,常閉觸點復位。制冷壓縮機和風機再次運轉,使冷藏柜內溫度再次下降。按以上程序往復循環,使冷藏柜內溫度維持在一定范圍內。






