作用 過零檢測電路的作用可以理解為給CPU提供一個標準,起點是零電壓,晶閘管導通角的大小就是依據這個標準確定的。也就是說PG電機高速、中速、低速、微速均對應一個導通角,而每個導通角的導通時間是從零電壓開始計算的,導通時間不一樣,導通角度的大小就不一樣,因此電機的轉速就不一樣。
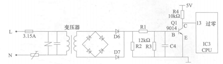
工作原理 過零檢測電路原理圖見圖4-73,關鍵點電壓見表4-17,由CPU?腳,二極管D6和 D7,電容C4,三極管Q1,電阻R1, R2, R3, R4組成。
取樣點為變壓器二次繞組插座,變壓器二次繞組插座的約交流12V電壓,經D6和D7全波整流,電阻R1, R2, R3分壓,電容C4濾除高頻成分,送至三極管Q1的基極B。當交流電源位于正半周時,B極電壓高于0.7V, Q1集電極C和發射極E導通,CPU?腳為低電平約0.1V;當交流電源位于負半周時,B極電壓低于0.7V,Q1 C極和E極截止,CPU?腳為高電平約5V。通過三極管Q1的反復導通、截止,在CPU?腳形成頻率為100Hz的脈沖波形,CPU通過計算,檢測出輸入交流電源電壓的零點位置。






