對于超高層建筑,如果系統靜水壓力和水泵工作壓頭過大,設備和部件的承壓超過承壓能力,制冷熱源設備通常有以下幾種布置方式:
1)冷熱源設備布置在塔樓外裙房頂層上,如圖38-10所示。

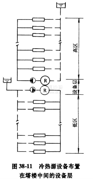
2)冷熱源設備布置在塔樓中間的設備層,如圖38-11所示。

3)冷熱源設備布置在塔樓頂層,如圖38-12所示。

4)在中間技術設備層內,布置水一水換熱器,使靜水壓力分段承受,如圖38-13所示。

5)當高層區上部超過設備承壓能力的部分負荷量不大時,上部各層可以獨立處理,如采用自帶冷、熱的空調器,熱泵等,以減小整個水系統所承壓的壓力,如圖38-14所示。

采用以上幾種方式時,有幾點值得加以考慮:
1)冷熱源設備設在裙房頂層時,根據裙房屋面的周圍環境,可以考慮水冷或是風冷冷凝器。
2)采用中間設備層布置冷源設備時,選用風冷式冷凝器為宜。
3)冷源設備布置在裙房頂層或中間設備層,必須充分考慮和妥善解決設備的隔振和噪聲,防止噪聲傳播給周圍環境和鄰近房間。
4)將循環水泵布置在蒸發器或冷凝器的出水端,可降低設備的承壓。

5)在同程式系統中,圖38-15a的布置優于圖38-15b,有利于減少設備承壓。
6)采用復式泵時,由于總壓力損失分別由一、二次泵負擔,能有效地降低系統承壓。






